
精密龍電子科技生産的輕觸開關各式各樣,有插件輕觸開關,貼片輕觸開關,帶燈輕輕觸開關,防水輕觸開關,所有開關都有各種各樣的規格型号。無論是哪個行業的哪個公司,他們都不會說所有的産品都是熱銷或者都是主推産品,精密龍電子也不例外,再厲害也不可能做到所有銷售産品都是暢銷款,所以精密龍在所有輕觸開關中一直受到客戶熱衷的輕觸開關中就是貼片輕觸開關,其次是防水輕觸開關,帶燈輕觸開關,最後是插件輕觸開關。然而在衆多的貼片輕觸開關中有幾款熱銷的型号,今天精密龍電子科技就爲大家講述這幾款熱銷的貼片輕觸開關規格書,供大家參考及借鑒。
一、 貼片輕觸開關1187系列:TS-1187A、TS-1187B、TS-1187C、TS-1187N、TS-1187AB、TS-1187AS等
1、TS-1187A貼片輕觸開關規格書:
2、TS-1187B貼片輕觸開關規格書如下
3、TS-1187C貼片輕觸開關規格書
4、TS-1187N貼片輕觸開關規格書
5、TS-1187AB貼片輕觸開關規格書
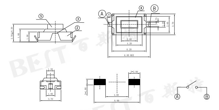
6、TS-78AS貼片輕觸開關規格書
二、貼片輕觸開關1181系列:包括TS-1181、TS-1181A、TS-1181U等型号
1、貼片輕觸開關TS-1181A規格書:
2、貼片輕觸開關TS-1181U規格書:
由於(yú)時間和空間的關系,規格書實在是太占地方,所以就暫時到此爲止,還有其他的可進入http://www.fionu.cn/qingchukaiguan.html查看,這裏不僅有貼片輕觸開關,同時哈包含瞭(le)精密龍電子的大多輕觸開關型号明細及相關的參數和規格書。
使用精密龍貼片輕觸開關是應注意以下幾點
一、使用開關整機的周圍材料産(chǎn)生腐蝕性氣體,将有可能造成接觸不良等現象。所以用前應先確(què)認。
二、如果貼片輕觸(chù)開關(guān)已經安裝,有其他零部件的粘結劑硬化等通過蓄熱硬化爐現象時應找專業人士解決。
三、不要在貼片輕觸(chù)開關(guān)上施加規定以上的力。
四、給貼片輕觸(chù)開關端子進行焊接時,如果在端子上施加負荷,因條件不同會有松動,變(biàn)形及電特性劣化的可能,所以在使用時應注意。
正所謂内行人看門道,外行人看熱鬧,上面簡單看上去型号之間的差别就一個字母而已,但是它卻是區分每個型号輕觸開關間重要的部分,當然最直接的就是看貼片輕觸開關規格書,但是很多人是看不懂的,所以他們隻能靠字母來區分。當然,爲瞭(le)不要那麽複雜,傷腦筋,你也可以直接咨詢精密龍的電商業務元,一個電話就可搞定,直接說出你的需求跟期許,她們會根據你的要求給你推薦最合适的型号,性價比最高的産品,還猶豫什麽呢,需要的就趕快拿起電話撥(bō)打0755-83031155,期待與您的合作,實現共赢。

Copyright © 廣東精密龍電子科技有限公司 版權所有 粵ICP備17035144号
粵公網安備44130202001184号
全國服務電(diàn)話:0755-83205533 傳(chuán)真:0755-83761155
公司地址:深圳市龍崗(gǎng)區龍崗(gǎng)大道8288号深圳大運軟件小鎮45棟(dòng)2樓

