


輕觸開關TS-1109B産品簡介
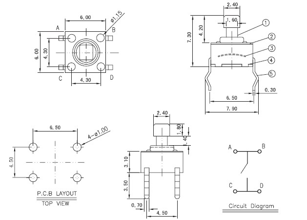
TS-1109B是6*6*7.3輕觸(chù)開關,高度是固定的,按鍵頭尺寸是2.4*2.4,輕觸(chù)開關TS-1109B按鍵力度有160g/250g四種。屬於(yú)環保輕觸(chù)開關
輕觸(chù)開關(guān)TS-1109B包裝方式:袋裝(1000PCS/包)
注意:輕觸(chù)開關(guān)TS-1109B柄不耐高溫,隻能用手工焊接的方式與波峰焊。
輕觸開關TS-1109B技術參數
使用範(fàn)圍(wéi)溫度:-20℃~80℃
額(é)定值:DC 12V 50mA
接觸(chù)電(diàn)阻:≤30mΩ
絕(jué)緣電(diàn)阻:≥100 MΩ
輕觸開關TS-1109B參考圖紙
單位:mm


Copyright © 廣東(dōng)精密龍電(diàn)子科技有限公司 版權所有 粵ICP備17035144号
粵公網安備44130202001184号
全國服務電(diàn)話:0755-83205533 傳(chuán)真:0755-83761155
公司地址:深圳市龍崗區龍崗大道8288号深圳大運軟件小鎮45棟(dòng)2樓(lóu)

