


技術參數:
使用溫度範(fàn)圍(wéi):-30℃ to+80℃
保存溫度範(fàn)圍(wéi): -40℃ to+85℃
額(é)定電(diàn)壓::DC 5V
全回轉角度:360度(無止檔(dàng)點(diǎn))
回轉(zhuǎn)壽(shòu)命:10000+200 Cycles
接觸(chù)電(diàn)阻:≤100mΩ
絕(jué)緣(yuán)阻抗:100MΩ 以上
振蕩(dàng):≤10mS 按壓(yā)
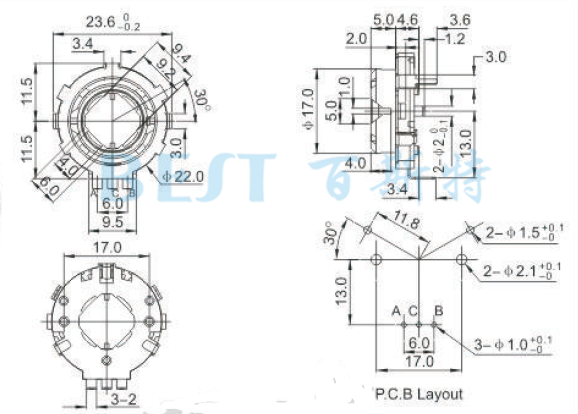
編碼器EC25參考圖紙



Copyright © 廣東(dōng)精密龍電(diàn)子科技有限公司 版權所有 粵ICP備17035144号
粵公網安備44130202001184号
全國服務電(diàn)話:0755-83205533 傳(chuán)真:0755-83761155
公司地址:深圳市龍崗區龍崗大道8288号深圳大運軟件小鎮45棟(dòng)2樓(lóu)

