


技術參數:
插拔力:5~20N
分離(lí):8~20N
耐電(diàn)壓(yā):500V AC at 1 minute
接觸(chù)電(diàn)阻:≤0.04Ω
絕(jué)緣電(diàn)阻:≥100MΩ
工作溫(wēn)度:-40℃~85℃
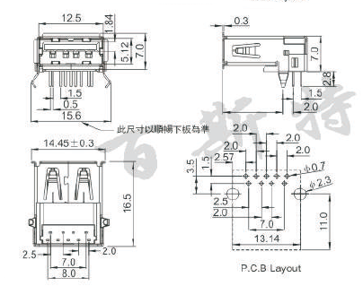
USB插座USB-A-06 3.0參考圖紙



Copyright © 廣東(dōng)精密龍電(diàn)子科技有限公司 版權所有 粵ICP備17035144号
粵公網安備44130202001184号
全國服務電(diàn)話:0755-83205533 傳(chuán)真:0755-83761155
公司地址:深圳市龍崗區龍崗大道8288号深圳大運軟件小鎮45棟(dòng)2樓(lóu)

