青島(dǎo)電(diàn)動門|青島(dǎo)崗亭|青島(dǎo)道閘-歡迎訪問紅建星機電(diàn)有限公司

咨詢服務熱線: 18669870598
新聞推薦
聯系我們

聯系人:趙經理

聯(lián)系方式 :0532-82281231

地址:膠州市南方家園鋼(gāng)材市場(chǎng)D3區-2

行業新聞 當前位置:首頁 > 新聞資訊 > 行業新聞
道閘的正確安裝方法
時間:2019-03-25 06:48:43
安裝位置的選擇

根據客戶的要求確定道閘的安裝位置,應注意以下幾方面的要求:

1.安裝位置要必須能使道閘擋杆在垂直和水平的夾角内運行。

2.如果不做安裝基礎,安裝面就必須要能牢固的固定箱體 ,使擋杆能穩定的運行。

3.如果做安裝基礎 ,建議用快幹水泥做,安裝基礎不小於800*800*150MM安裝面水平。

安裝孔位的確定

1.安裝孔位可以在安裝面上按以下尺寸確定。

2.安裝孔位的確定也可以将道閘箱體放於安裝面上,通過箱體的安裝孔位在安裝面上做标記。

電源線鋪設

将電源線從電源處鋪設至道閘箱體内,電源線的規格爲 RVV3×1.5mm或更大規格。

箱體的安裝

1.用直徑14MM 的沖擊鑽頭在安裝孔位上鑽孔,深度100MM 左右。

2.将直徑 12MM 的膨脹螺栓打入安裝孔内,擰緊螺母後,並退出螺母。

3.将道閘箱體放在安裝孔位上,一邊擰緊螺母,一邊調整道閘箱體的垂直度,使箱體垂直,最終牢固的固定箱體。

固定擋杆

将擋杆夾闆與擋杆杆孔位對齊,穿入直徑 12MM 的螺栓,然後将擋杆固定在道閘箱體的擋杆固定闆上。

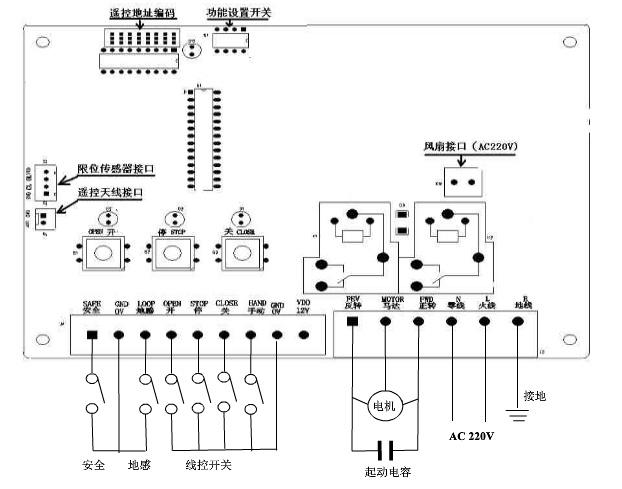
道閘内部接線
紅建星機電(diàn)設備(bèi)有限公司 版權所有 魯ICP備16044994号-1 網站地圖 技術支持:知道網絡